



特點
過濾器結構簡單,操作方便,上密封采用法蘭翻轉螺栓鎖緊。
過濾器材質可全部選用優質不銹鋼SS304或316L。
過濾器面積可按用戶產量定制。
外表面噴砂或拋光處理,美觀大方。
過濾器安裝尺寸可按客戶要求設計。
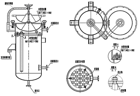
結構圖

技術參數
| 主體材質 | 濾芯形式 | 過濾面積 | 過濾精度 | 工作壓力 | 工作壓力 | 設計壓力 | 接口形式 | 頂蓋連接形式 |
| SS304 | 金屬網折波式 | -60㎡ | 3μm- | ≤1.0MPa | 10kgf/ c㎡ | 1.6MPa | 法蘭連接 | 活節螺栓 |
| SS304L | ||||||||
| 321 | ||||||||
| 316L | 微孔折疊膜式 | -60㎡ | 0.2μm- | ≤1.0MPa | 4kgf/ c㎡ | 1.6MPa | 外管螺紋 | 高強螺栓 |
| CS | ||||||||
| 其它 | 濾籃式 | -8㎡ | 25μm- | ≤1.0MPa | 2kgf/ c㎡ | 1.6MPa | 內管螺紋 | 包箍 |
| 濾袋式 | -8㎡ | 1μm- | ≤1.0MPa | 1、5kgf/ c㎡ | 1.6MPa | 卡箍連接 | 快開式 | |
| 金屬楔形式 | -12.5㎡ | 25μm- | ≤1.0MPa | 10kgf/ c㎡ | 1.6MPa | 用戶指定 | ||
| 線繞式濾芯 | -12.5㎡ | 1μm- | ≤1.0MPa | 2kgf/ c㎡ | 1.6MPa | |||
典型應用:
錦綸聚合淬取水、工藝水和切粒水的過濾、飲料及食品、制藥、化妝品、油漆、油墨、食用油、工業用水等
CopyRight ? 江蘇瀚晨機械科技有限公司 All Rights Reserved 備案號:蘇ICP備19073057號-1